Prvky ľahkej konštrukcie
Inštalačné prvky
Inštalačné prvky pre WC
1
Výrobky
0
Náhradné diely
1

Prvky ľahkej konštrukcie
Inštalačné prvky pre závesné WC, s podomietkovou nádržkou Technic GT
Inštalačné prvky pre závesné WC, s podomietkovou nádržkou Technic GT
2013 - 2023
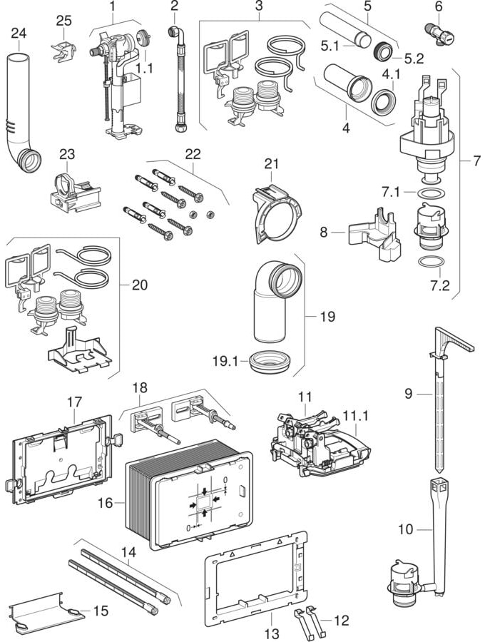
| # | Č. výr. | Názov | Náhrada za | Poznámky |
|---|---|---|---|---|
| 1 | 99400100000 | Napúšťací ventil Geberit | 594762000, 594785000 | |
| 1.1 | 99400125000 | Membrána Geberit Technic GT pre napúšťací ventil | 594736000 | |
| 2 | 99400104000 | Pancierová hadica Geberit | 594731000 | |
27 druh výrobku